Projects/Bitlight

Uit Hackerspace Amersfoort
Naar navigatie springen Naar zoeken springen


Project Bitlight
Naam Bitlight
Beschrijving Bitlair lighting
Website
Start 2011/12/23
Contact Bobo1on1
Status Production


De verlichting voor in de space remote controlled 5 x een 2x3 w rgb led

For the lighting in the space we made a remote controlled 2x3 w rgb led controller the protocol use on the serial bus is boblight


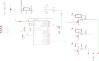
Schematic

PCB